Nexperia Targets USB With New PD Controllers and ESD Protection Diodes
Nexperia recently introduced the NEX52041 and NEX52080 USB Type-C power delivery controllers, expanding its lineup to cover adapter designs from 18 W to 140 W.

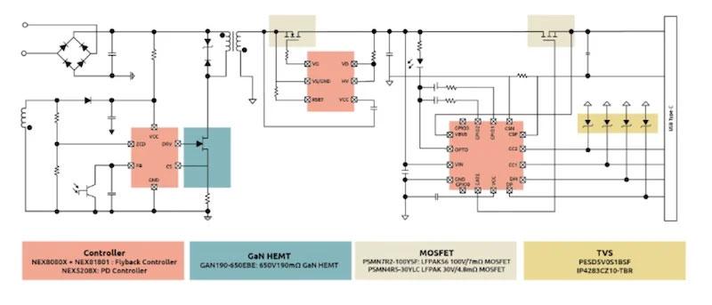
Nexperia's USB Type-C and USB PD controllers support 18–140 W adapters in consumer applications.
These devices combine protocol management, built-in safety measures, and firmware-updatable memory into a single turnkey solution, enabling charger makers to support evolving USB standards without hardware redesigns. With the addition of these controllers, manufacturers can now source every major functional block for a USB-C charger directly from Nexperia.
From Overvoltage Protection to Backward Compatibility
The NEX52041 and NEX52080 (datasheets linked) act as the control center in high-power USB-C chargers, handling everything from protocol negotiation to built-in safety management. They support USB Power Delivery alongside a range of older fast-charge methods that operate over the D+/D- lines, ensuring compatibility with devices that don’t fully implement the latest USB-C standards.

Nexperia is aiming to deliver a complete USB-C turnkey solution with power delivery. (Click on image to enlarge)
Inside each controller is multi-time programmable memory—16 kB in the NEX52041 and 32 kB in the NEX52080—which allows firmware updates to be applied after production. This enables manufacturers to accommodate future revisions to the USB PD specification or introduce support for brand-specific charging profiles without redesigning the hardware.
Beyond protocol handling, these controllers integrate overvoltage protection that can tolerate up to 30 V on the connector pins, removing the need for separate external protection ICs and simplifying the bill of materials. They also include constant-voltage and constant-current control loops, making them suitable for designs that use optocouplers to maintain isolation between the primary and secondary sides of the power supply.
Communication and Compatibility
Communication interfaces such as I2C allow multiple controllers to share data in multi-port adapters, enabling dynamic power distribution between ports based on the demands of connected devices. As part of Nexperia’s broader turn-key ecosystem, the NEX52041 and NEX52080 are designed to integrate seamlessly with the company’s portfolio of AC/DC converters, DC/DC converters, MOSFETs, GaN FETs, and protection devices.
This alignment allows charger makers to source every major functional block from a single vendor, simplifying procurement and reducing validation time. By ensuring component compatibility at the system level, Nexperia can help speed up development cycles while minimizing the risk of integration issues.
ESD Protection Diodes for High-Speed Applications
The company also announced a new series of high-performance protection diodes. Nexperia’s new series—exemplified by the PESD1V0C1BSF and PESD1V0H1BSF (datasheets linked)—emphasizes a balance between robust ESD protection and predictable signal behavior. The diodes withstand surge currents up to 9.6 A while maintaining “ultra-low” capacitance down to 0.1 pF, which helps maintain a clean “eye” at multi-gigabit speeds.

The new ESD protection diodes are targeted at high-speed applications like USB4 and Thunderbolt.
The ESD protection diodes can protect against ESD events up to +/-18 kV. Additionally, insertion loss is kept to -0.21 dB at 12.8 GHz, with no resonances detected out to 40 GHz. This ensures designers can preserve channel compliance even in tight board layouts. By offering RF and ESD simulation models alongside the hardware, Nexperia says the lineup may be useful for engineers facing the constraints of system-level ESD robustness while maintaining high-speed signal integrity.
Tightly-Packed Competitive Landscape
While the NEX52041 and NEX52080 strengthen Nexperia’s position by offering a tightly integrated solution, they enter a market already well-served by established USB power delivery controller vendors such as Texas Instruments, STMicroelectronics, Infineon, and NXP. Competing products from these companies bring proven track records, broad protocol support, and extensive design resources. For charger makers, the decision may ultimately depend on whether the value of Nexperia’s single-supplier ecosystem and built-in flexibility outweighs the familiarity and breadth of options provided by incumbent suppliers.





