Toshiba Intros 1800 V Photorelay for High-Voltage EV Batteries
Toshiba has introduced the TLX9165T, a high-voltage automotive photorelay designed for 800 V battery management systems (BMS) in electric vehicles and battery energy storage systems. Built to extend life and optimize performance, the photrelays offer an enticing combination of high-voltage isolation, fast switching, and reliability metrics.

The TLX89165T photorelay. Image used courtesy of Toshiba
The TLX9165T
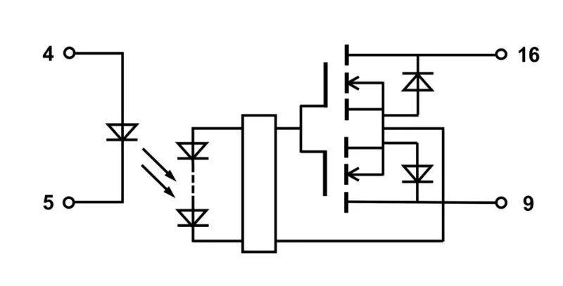
As a photorelay, the TLX9165T incorporates an optically coupled design that connects an infrared LED to a photo-MOSFET, which functionally allows it to handle insulation and switching tasks without mechanical contact. Unlike other 800 V-focused solutions, which top out around 1600 V, the TLX9165T features a newly developed high-voltage photo MOSFET that unlocks a peak off-state voltage of 1800 V. To support transient loads, the device supports a maximum ON-state current of 30 mA and maintains an ON-state resistance of up to 340 Ω (at t < 1 s).
Several isolation metrics are also noteworthy. For example, the photorelay is rated for a minimum isolation voltage of 5000 Vrms and supports creepage and clearance distances of at least 8 mm, with an insulation thickness of 0.4 mm. High-CTI resin (CTI > 600) in a SO16L-T package qualifies the device under IEC 60664-1 Material Group I, making it suitable for applications in pollution degree 2 environments and up to 1500 V operating voltage.

The TLX9165T’s internal circuit. Image used courtesy of Toshiba
Electrically, the TLX9165T is a 1-Form-A (normally open) relay with a trigger LED current threshold of just 3 mA. Switching characteristics include a maximum turn-on and turn-off time of 1 ms each. According to Toshiba, these specifications make the device an option for responsive BMS operations like ground fault detection, voltage monitoring, and relay malfunction detection.
Mechanically, the TLX9165T shares pin configuration and pitch with existing Toshiba photorelays (e.g., TLX9160T and TLX9152M), simplifying layout compatibility and drop-in replacement during design updates or product iterations. The device is also AEC-Q101 qualified.
Output Withstand Voltage in High-Voltage Design
Photorelays used in high-voltage battery systems are expected to safely isolate control electronics from potentially hazardous voltages while simultaneously affording reliable switching across wide voltage differentials. Output withstand voltage defines the maximum voltage the relay’s output terminals can endure in an off-state without breakdown or leakage.
For 800 V EV battery platforms, a photorelay must typically withstand voltages of 1600 V or higher (i.e., twice the nominal battery voltage) to provide adequate safety margins.

The TLX9165T’s electrical characteristics. Image used courtesy of Toshiba
Achieving this withstand level involves careful component design, particularly around the MOSFET structure and packaging. A significant factor is using a high-voltage MOSFET with minimal leakage current and robust avalanche characteristics. Packaging must also incorporate sufficient creepage and clearance distances, which prevent arc-over across insulation paths. Standards such as IEC 60standards 664-1 specify minimum spacing and material group classifications to support different pollution levels and voltage categories.
In systems like EV BMS or battery storage system controllers, transient conditions and environmental stressors are common. A combination of high breakdown voltage and strong isolation characteristics is necessary. Without this, devices risk premature failure and compromised insulation.
High-Reliability Relay for Next-Gen Platforms
As electric powertrains scale toward higher voltages, the TLX9165T may offer a viable solution for engineers upgrading insulation integrity and control logic reliability in compact footprints. With its pin-compatible layout and AEC-Q101 qualification, the TLX9165T is a solid choice for engineers migrating from earlier designs to address the evolving voltage demands of modern BMS architectures. The TLX9165T is available for order through authorized Toshiba distributors.





